
Miniature Bearings Australia
7210B - Datasheet
MBA
Category Information
Bearings - Angular Contact - Single Row Ball - Chrome SteelChrome Steel Single Row Ball Angular Contact Bearings. Including miniature sizes down to 8mm from stock and even smaller available.
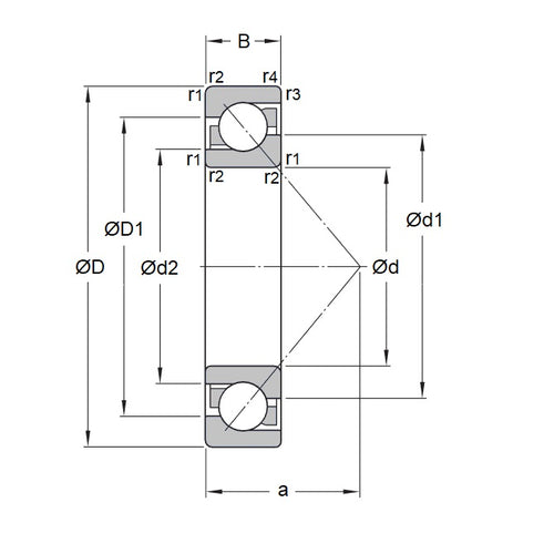
- These bearings have four points of contact between the balls and the raceways, allowing them to accommodate thrust loads in addition to radial loads.
- These bearings have raceways in the inner and outer rings that are offset to each other and are inclined at an angle to the bearing axis.
- Angular contact bearings are used in various applications where precise rotation, high-speed performance, and load-carrying capacity are required. An expanded range may be available on special order. Please enquire.
- Single Row Ball Beariangs - Angular Contact.
Product Data
- ID (d)
:
50.000
mm
(Equiv. 1.969 in.) - OD (D)
90.000
mm
(Equiv. 3.543 in.) - Width (B)
20.000
mm
(Equiv. 0.787 in.) - Precision Grade Abec 1
- Closure Type Open
- Bearing Type Angular Contact
- Material Chrome Steel SAE 52100
Product Compliance and Data
Additional Resources
- Catalogue: Ceramic Bearings Catalogue
- Catalogue: Plastic Bearings Catalogue
- Catalogue: Standard Bearings Catalogue
- General: Bearing Cleanliness
- General: Bearing Clearances
- General: Bearing Flanges & Snap Rings
- General: Bearing Retainers (Cages)
- General: General Loads Information
- General: Lubrication
- General: Prefix & Suffix Guide
- General: Static vs Dynamic Loads
- Materials: 316 Stainless
- Materials: CASSTOP Anti-Corrosion Bearing Material
- Materials: Ceramic vs Ceramic Hybrid
- Materials: Ceramic Bearings in Vibratory Applications
- Materials: Ceramic Hybrid Bearings in Vibratory Applications
- Materials: General Bearing Materials
- Materials: Magnetism & Bearings
- Precision: 316 Stainless & Plastic Bearing Tolerances
- Precision: ABEC Basic Information
- Precision: Precision Bearing Tolerances
- Problem Solving: Bearing Failure
- Problem Solving: Fatigue (L10 Life)
- Problem Solving: Noise


