
Miniature Bearings Australia
BF0508-0635-0603-BA - Datasheet
MBA
Category Information
Bushes - Flanged - Aluminium Bronze - PlainPlain Aluminium Bronze Flanged Bushes. Used for dies, moulds and heavy machinery. C95400 Aluminium bronze.
- An expanded range may be available on special order. Please enquire.
- ID and OD Tolerance : -0.0000 / +0.0127
- Length Tolerance : -1.524 / +0.000
Product Data
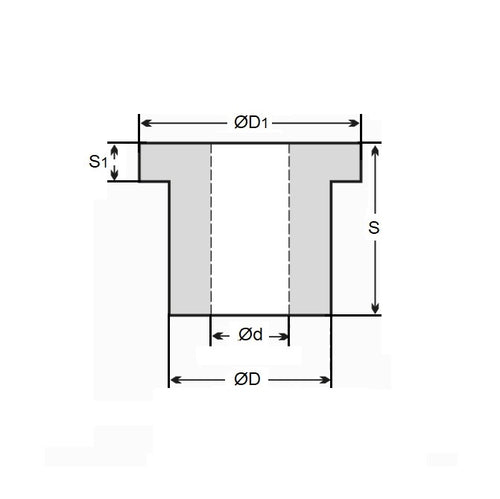
- Nominal Inside Diameter (d)
:
50.800
mm
+ 0.013 / - 0.000
(Equiv. 2 in.) - Nominal Outside Diameter (D)
63.500
mm
+ 0.013 / - 0.000
(Equiv. 2.5 in.) - Length (s)
60.325
mm
+ 0.00 / - 1.52
(Equiv. 2.375 in.) - Flange OD (D1) 68.07 mm
- Flange Thickness (S1) 4.76 mm
- Material Aluminium Bronze
Product Compliance and Data
Additional Resources
- DU Bush Material Information
- General Bushes Catalogue
- Sintered Bronze Products Catalogue
- Solid Bronze Bushes catalogue
Cross References
- SLB507
- SLB-507



