
Miniature Bearings Australia
RR1135RS - Datasheet
MBA
Category Information
Rollers - DriveDrive Rollers. Neoprene 60 durometer black ground outside diameter drive rollers
Product Data
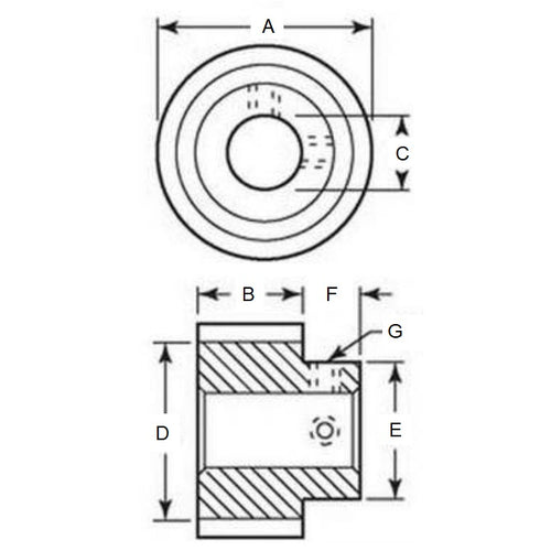
- Outside Diameter (A)
:
50.80
mm
(Equiv. 2 in.) - Roller Width (B)
15.88
mm
(Equiv. 0.625 in.) - Bore (C)
9.550
mm
(Equiv. 0.376 in.) - Sleeve Diameter (D) 38.100 mm
- Hub Diameter (E) 25.400 mm
- Hub Height (F) 9.525 mm
- Set Screw 10-32 UNF (2)
- Material Neoprene Rubber
Product Compliance and Data
Additional Resources
Cross References
- RR1135
- RR-1135


