
Miniature Bearings Australia
BBFP-508-C - Datasheet
MBA
Category Information
Linear - Housings Pillow Block Frelon - Precision - ClosedClosed Precision Housings Pillow Block Frelon Linear. Single and double length
- Bearing is Frelon Gold -tm- encased in a flanged housing made from 6061-T6 aluminium. Double length has two bearings mounted internally.
- For rotating and linear motion.
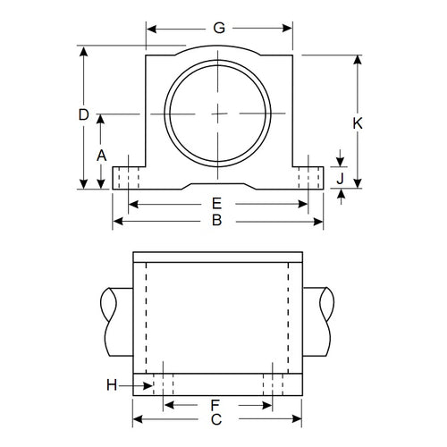
Product Data
- Bore Diameter
:
50.800
mm
(Equiv. 2 in.) - Centre Bore Height (A)
53.975
mm
(Equiv. 2.125 in.) - Base Width (B)
152.400
mm
(Equiv. 6 in.) - Overall Length (C) 127.000 mm
- Centre Bolt Holes Width (E) 5591.52 mm
- Max Load Rating 5591.52 Kg
Product Compliance and Data
Additional Resources
Cross References
- 6374K145
- PBC67
- PBC-67
- S61PPC-200F50000
- S61PPC200F50000


