
Miniature Bearings Australia
CCF155RS - Datasheet
MBA
Category Information
Roller Followers - StandardStandard Roller Followers. This is the main category in this series
Product Data
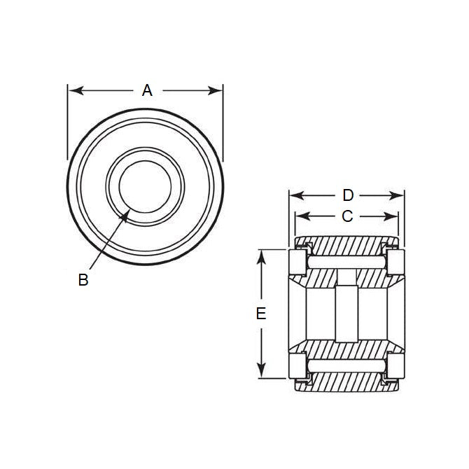
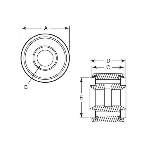
- Diameter (A)
:
50.800
mm
(Equiv. 2 in.) - Overall Width (D)
33.338
mm
(Equiv. 1.313 in.) - Bore (B)
15.875
mm
(Equiv. 0.625 in.) - Width (C) 31.750 mm
- E 38.100 mm
- Dynamic Load Rating 3669.562 kg
- Static Load Rating 9588.943 kg
- Material Steel
Product Compliance and Data
Additional Resources
Cross References
- 6831K49
- CCF155
- CCF-155


