
Miniature Bearings Australia
ED6RS - Datasheet
ACE
Category Information
Shock Absorbers - Low Profile Hydraulic - AdjustableAdjustable Low Profile Hydraulic Shock Absorbers. This is the main category in this series
Product Data
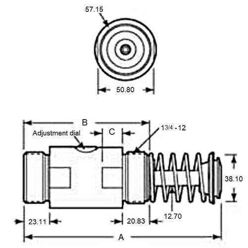
- Stroke
:
50.8
mm
(Equiv. 2 in.) - Length (B)
117.60
mm
(Equiv. 4.63 in.) - Total Length (A)
195.33
mm
(Equiv. 7.69 in.) - (C) 13 mm
- Max. Shock Force 1361 KG
- Max. Propelling Force 295 KG
- Nom. Coil Spring Force Exten 3 KG
- Nom. Coil Spring Force Compres 7 KG
- More Information For more information please contact us.
Product Compliance and Data
Additional Resources
Cross References
- ED6
- ED-6


