
Miniature Bearings Australia
CFF050-25-100M-R70 - Datasheet
MBA
Category Information
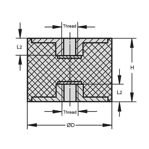
Mounts - Bobbin - FemaleFemale Bobbin Mounts. Vibration dampening
- An expanded range may be available on special order. Please enquire.
- Also see Bumpers
Product Data
- Nom. Body Diameter (D)
:
50.0
mm
(Equiv. 1.969 in.) - Body Height (H)
25.0
mm
(Equiv. 0.984 in.) - Thread Size M10x1.5
- Shore Hardness 70
- Compression Load 193 (413) Kg (lbs)
- Deflection 2.1 mm
- Configuration Female to Female
- Material Natural Rubber
Product Compliance and Data
Additional Resources
Cross References
- 5025FF10-70
- 5025FF1070


