
Miniature Bearings Australia
PLIT-060-127C-52-LKP-S3 - Datasheet
MBA
Category Information
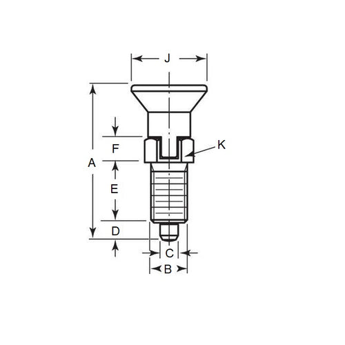
Plungers - Indexing Pull Knob - Stainless and Plastic - With Locking SlotWith Locking Slot Stainless and Plastic Indexing Pull Knob Plungers. With thermoplastic knob
Product Data
- Thread (B) : 1/2-13 UNC (12.7mm)
- Overall Length (A)
51.7
mm
(Equiv. 2.035 in.) - Initial End Force 2.7 N
- Final End Force 6.3 N
- Tip Diameter (C) 6.0 mm
- Tip Length (D) 6.0 mm
- Hex Height (F) 8.0 mm
- Knob Diameter (J) 25.0 mm
- Hex Size (K) 14.0
- Material Stainless Steel 303 (Similar to A2, 304, 18-8)
Product Compliance and Data
Additional Resources
Cross References
- KBP-545
- KBP545


