
Miniature Bearings Australia
PLIT-060-127C-25-KSH-C - Datasheet
MBA
Category Information
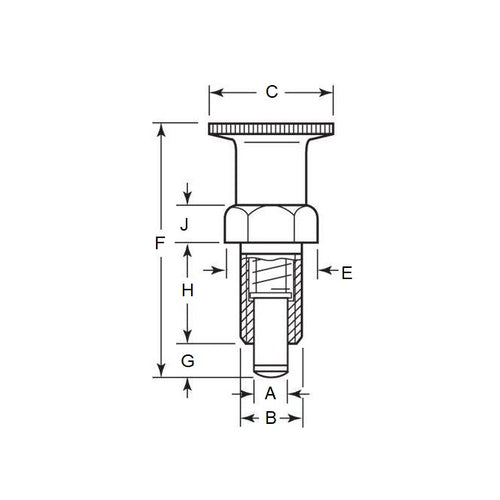
Plungers - Indexing - Non Locking - With Shoulder - Steel - With KnobWith Knob Steel With Shoulder Non Locking Indexing Plungers. Used to prevent change in locking position due to shearing force. Spring loaded for use in fastening, locating and indexing on equipment, tooling and other applications.
- Body and pin are steel with black oxide finish.
Product Data
- Thread (B) : 1/2-13 UNC (12.7mm)
- Thread Length (H)
20.1
mm
(Equiv. 0.791 in.) - Initial End Force 0.7 N
- Final End Force 1.6 N
- Tip Diameter (A) 6.0 mm
- Tip Length (D) 6.1 mm
- Nut Size (E) 16.3 mm
- Nut Thickness (J) 6.1 mm
- Material Steel
Product Compliance and Data
Additional Resources
Cross References
- WIP-15
- WIP15


