
Miniature Bearings Australia
RPO-059-060-C - Datasheet
MBA
Category Information
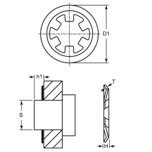
Retaining Rings - Push On - Carbon SteelCarbon Steel Push On Retaining Rings. M1465 / DTX / Seeger ZA and KS.
- An expanded range may be available on special order. Please enquire.
- Thrust load shown is calculated for ideal conditions with mild steel shaft.
- If no thrust load is shown, testing is suggested.
Product Data
- Min shaft size (s1)
:
5.98
mm
(Equiv. 0.235 in.) - Max Shaft Size (s2)
6.00
mm
(Equiv. 0.236 in.) - Outside diameter (D1)
11.00
mm
(Equiv. 0.433 in.) - Min shaft extension (n1) 3.00 mm
- Height (H) Max. 1.50 mm
- Material Thickness (t) 0.25 mm
- Approx. Thrust Load 24 kg
- Material Carbon Steel
Product Compliance and Data
Additional Resources
Cross References
- NoCor DKS-006
- NoCor DTX-006
- DTX006
- DKS006
- M14650060
- M1465-0060
- M14650060APP
- M1465-0060APP


