
Miniature Bearings Australia
FP-7RS - Datasheet
MBA
Category Information
Eye Bolts - Threaded Shank - Plain - Carbon SteelCarbon Steel Plain Threaded Shank Eye Bolts. Forged self coloured carbon steel.
- Forged self coloured carbon steel.
- Should not be used for angular lifts greater than 45o. Safety swivel hoist rings are recommended for such applications.
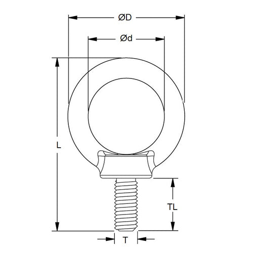
Product Data
- Thread Size : 5/8-11 UNC (15.88mm)
- Shank Length
44.450
mm
(Equiv. 1.75 in.) - Eye Inside Diameter
34.925
mm
(Equiv. 1.375 in.) - Rated Capacity 1814 Kg
Product Compliance and Data
Additional Resources
Cross References
- 3013T52


