
Miniature Bearings Australia
CC-056-064-SS - Datasheet
MBA
Category Information
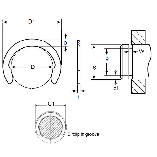
Retaining Rings - CrescentCrescent Retaining Rings. Variation of an E-Clip with an open face. Also known as a C-Clip.
- Narrow section height provides good clearance capabilities.
- Absence of teeth and deep set mean less thrust load ratings than e-clips.
- For best results install using the recommended applicator tool.
Product Data
- Groove Diameter (G)
:
5.59
mm
(Equiv. 0.22 in.) - Shaft Diameter (S)
6.35
mm
(Equiv. 0.25 in.) - Thickness (t)
0.64
mm
(Equiv. 0.025 in.) - Clip OD in groove (C1) 8.38 mm
- Clip OD Loose (D1) 7.90 mm
- Groove Width (W) 0.74
- Material Stainless Steel Grade PH15-7-17
Product Compliance and Data
Additional Resources
Cross References
- Military 16632-025-SS/B
- Military 16632-025-SS-B
- Waldes 5103-025-SS/B
- Waldes 5103-025-SS-B
- Ellison 9103-025-SS/B
- Ellison 9103-025-SS-B
- NoCor C-025-SS/B
- Rotor Clip C-025-SS/B
- NoCor C-025-SS-B
- Rotor Clip C-025-SS-B
- N1800-025-SS-B
- N1800025SSB
- N1800-025-SS/B
- N1800025SS/B
- 16632025SSB
- 16632025SS/B
- 9103025SS/B
- 9103025SSB
- 5103025SS/B
- 5103025SSB
- C025SS/B
- C025SSB


