Miniature Bearings Australia - MBA Minibearings
Miniature Bearings Australia

CC-056-064-CZ - Datasheet

MBA

Category Information

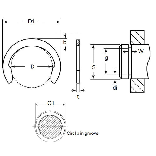
Retaining Rings - Crescent

Crescent Retaining Rings. Variation of an E-Clip with an open face. Also known as a C-Clip.

  • Narrow section height provides good clearance capabilities.
  • Absence of teeth and deep set mean less thrust load ratings than e-clips.
  • For best results install using the recommended applicator tool.

Product Data

  • Groove Diameter (G) : 5.59 mm
    (Equiv. 0.22 in.)
  • Shaft Diameter (S) 6.35 mm
    (Equiv. 0.25 in.)
  • Thickness (t) 0.64 mm
    (Equiv. 0.025 in.)
  • Clip OD in groove (C1) 8.38 mm
  • Clip OD Loose (D1) 7.90 mm
  • Groove Width (W) 0.74
  • Material Carbon Spring Steel Zinc Plated
Country of Origin: US

Product Compliance and Data

Additional Resources

    Cross References

    • Military 16632-025-ZD/B
    • Military 16632-025-ZD-B
    • Waldes 5103-025-ZD/B
    • Waldes 5103-025-ZD-B
    • Ellison 9103-025-ZD/B
    • Ellison 9103-025-ZD-B
    • NoCor C-025-ZD/B
    • Rotor Clip C-025-ZD/B
    • NoCor C-025-ZD-B
    • Rotor Clip C-025-ZD-B
    • N1800-025-ZD/B
    • N1800025ZDB
    • N1800-025-ZD-B
    • N1800025ZD/B
    • 16632025ZD/B
    • 16632025ZDB
    • 9103025ZD/B
    • 9103025ZDB
    • 5103025ZD/B
    • 5103025ZDB
    • C025ZDB
    • C025ZD/B
    View full details