
Miniature Bearings Australia
RPO-055-056-C - Datasheet
MBA
Category Information
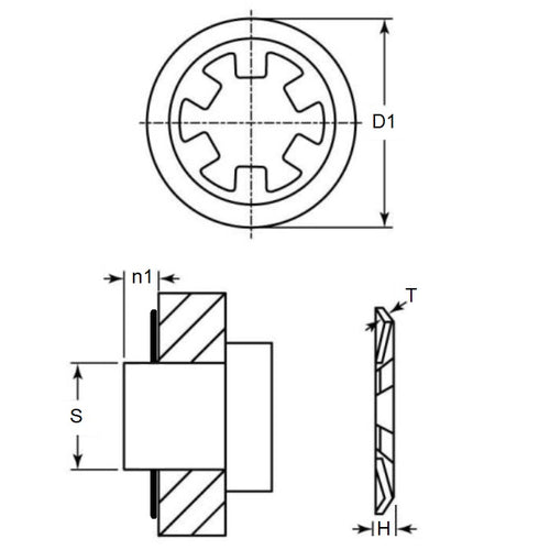
Retaining Rings - Push On - Carbon SteelCarbon Steel Push On Retaining Rings. M1465 / DTX / Seeger ZA and KS.
- An expanded range may be available on special order. Please enquire.
- Thrust load shown is calculated for ideal conditions with mild steel shaft.
- If no thrust load is shown, testing is suggested.
Product Data
- Min shaft size (s1)
:
5.54
mm
(Equiv. 0.218 in.) - Max Shaft Size (s2)
5.59
mm
(Equiv. 0.22 in.) - Outside diameter (D1)
10.62
mm
(Equiv. 0.418 in.) - Min shaft extension (n1) 1.02 mm
- Material Thickness (t) 1.02 mm
- Material Carbon Steel
Product Compliance and Data
Additional Resources
Cross References
- Waldes 5105-021
- IRR 6100-021
- NoCor TY-021
- Rotor Clip TY-021
- TY021
- 6100021
- 5105021


