
Miniature Bearings Australia
SS079F-0381-AS - Datasheet
Brighton Best
Category Information
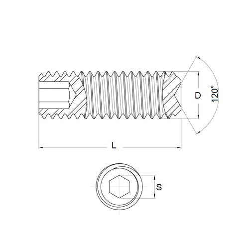
Socket Set Screws - Standard Cup Point - Alloy Steel DIN916Alloy Steel DIN916 Standard Cup Point Socket Set Screws. Standard grub screws. UNC - UNF - BA - METRIC.
- Socket driven grub screw with a standard cup point.
 
Product Data
Deleted Item. Available while stocks last.
Please contact us first if you wish to use this item in a new design so we can check whether production can be resumed.
- Thread Size : 5/16-24 UNF (7.94mm)
 - Thread Length (L) 
38.1
mm
(Equiv. 1.5 in.) - Type Standard Cup Point
 - Hex Key Size 4.00
 - Pitch 1.058 mm
 - Threads Per Inch 24 TPI
 - Finish Hardened, Black Oxide Coated
 - Material Carbon Steel - Hardened GD14.9
 
Product Compliance and Data
Additional Resources
- Screws & Nuts Catalogue
 - Shoulder Screws Catalogue
 - Socket Set (Grub) Screws Catalogue
 - Thumb Screws & Thumb Nuts Catalogue
 - Thread Size Chart - Combined Imperial & Metric
 
Cross References
- Brighton Best 601257
 - 91375A606
 


