
Miniature Bearings Australia
SS079F-0191-AS - Datasheet
Brighton Best
Category Information
Socket Set Screws - Standard Cup Point - Alloy Steel DIN916Alloy Steel DIN916 Standard Cup Point Socket Set Screws. Standard grub screws. UNC - UNF - BA - METRIC.
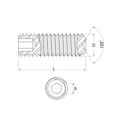
- Socket driven grub screw with a standard cup point.
Product Data
- Thread Size : 5/16-24 UNF (7.94mm)
- Thread Length (L)
19.1
mm
(Equiv. 0.752 in.) - Type Standard Cup Point
- Hex Key Size 3.97 (5/32)
- Pitch 1.058 mm
- Threads Per Inch 24 TPI
- Finish Hardened, Black Oxide Coated
- Material Carbon Steel - Hardened GD14.9
Product Compliance and Data
Additional Resources
- Screws & Nuts Catalogue
- Shoulder Screws Catalogue
- Socket Set (Grub) Screws Catalogue
- Thumb Screws & Thumb Nuts Catalogue
- Thread Size Chart - Combined Imperial & Metric
Cross References
- Brighton Best 101417
- 91375A602


