
Miniature Bearings Australia
KM079C-040-7L40-ST - Datasheet
MBA
Category Information
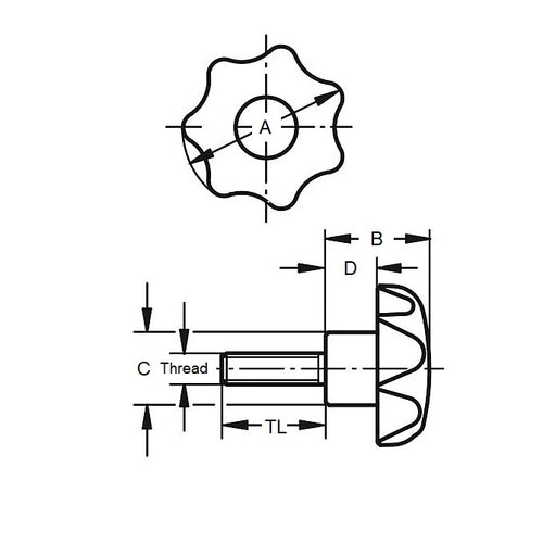
Knobs - Lobe - Seven Lobe - Male - StandardStandard Male Seven Lobe Lobe Knobs. Also see star knobs
- An expanded range may be available on special order. Please enquire.
Product Data
- Thread Size : 5/16-18 UNC (7.94mm)
- Head Diameter (A)
40.00
mm
(Equiv. 1.575 in.) - Thread Length
40.0
mm
(Equiv. 1.575 in.) - Colour Black
- Hub Diameter (C) 18.03 mm
- Hub Length (D) 12.95 mm
- Knob Height (B) 24.89 mm
- Material Plated Steel
Product Compliance and Data
Additional Resources
Cross References
- KaVo KBP-271
- KBP271


