
Miniature Bearings Australia
IN-RIV-079C-032 - Datasheet
MBA
Category Information
Inserts - Rivet Nuts - Klik - StandardStandard Klik Rivet Nuts Inserts. Individual Inserts for use with the Klik Thread Setter Tool
- One-piece, internally threaded fastener that creates a permanent, reusable thread in a material, from only one side.
- Installed using a special tool that grips the insert and pulls a mandrel, which causes the nut's body to deform and grip the hole. This allows a bolt to be threaded into the insert to join components together.
- Also known as a nutsert or rivnut.
- These threaded inserts can be used in blind or through hole applications. Featuring a heavy duty thread profile and increased thickness in the collapse area.
- Steel with cadmium plating.
Product Data
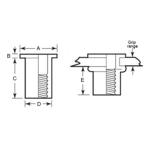
- Internal Thread : 5/16-18 UNC (7.94mm)
- Drill Hole Size
10.49
mm
(Equiv. 0.413 in.) - Grip Range
0.76 - 3.18
mm
(Equiv. 0.03 in.) - Body Diameter (D) 10.49 mm
- Flange Diameter (F) 16.89 mm
- C 19.050 mm
- B 1.575 mm
- E 12.827 mm
- 0.76 - 3.18
Product Compliance and Data
Additional Resources
Cross References
- 93483A810
- ALC-47171
- ALC47171


