
Miniature Bearings Australia
PLIT-040-080-100-39-LKPN-S3 - Datasheet
MBA
Category Information
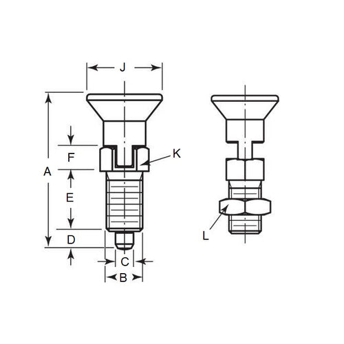
Plungers - Indexing Pull Knob - Stainless and Plastic - Locking Slot and NutLocking Slot and Nut Stainless and Plastic Indexing Pull Knob Plungers. With thermoplastic knob
Product Data
- Thread (B) : M8 Fine (8x1mm)
- Overall Length (A)
38.5
mm
(Equiv. 1.516 in.) - Initial End Force 0.6 N
- Final End Force 1.2 N
- Tip Diameter (C) 4.0 mm
- Tip Length (D) 4.0 mm
- Knob Diameter (J) 18.0 mm
- Hex Size (K) 10.0 mm
- Nut Size (L) 13.0
- Material Stainless Steel 303 (Similar to A2, 304, 18-8)
Product Compliance and Data
Additional Resources
Cross References
- KBP-573
- KBP573


