
Miniature Bearings Australia
P-050A-048-100P-AL-N-080 - Datasheet
MBA
Category Information
Pulleys - Metric Timing - 5.000mm Pitch - AT5 - 10mm Wide10mm Wide AT5 5.000mm Pitch Metric Timing Pulleys. Timing pulleys to suit AT5 Series belts
- Timing pulleys combined with timing belts, provide power transmission without slippage.
- Timing pulleys are toothed pulleys used with timing belts to synchronize the movement of different mechanical components, ensuring precise timing and coordination.
- Some uses for timing pulleys include 3D printers, CNC machines, robotics and automation components, textile machinery, office equipment such as scanners and copiers, and medical devices requiring precise movement control.
- Aluminium Alloy
- Steel Flanges
- Hub is unthreaded, you will need to drill and tap with your required locking screw size
Product Data
- Number of Teeth : 48
- Max Belt Width
10.00
mm
(Equiv. 0.394 in.) - Bore (d)
8.000
mm
(Equiv. 0.315 in.) - Bore Type Plain
- Locking Type None
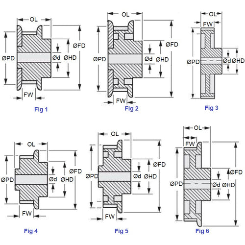
- Type 3
- Pitch Dia. (PD) 76.36 mm
- Overall Length 21.0 mm
- Hub Diameter (HD) 50.0
- Material Aluminium
Product Compliance and Data
Additional Resources
Cross References
- Gates 21AT5-48-0
- 3709N32
- 21AT5480


