
Miniature Bearings Australia
CMP24-1904-1321-168 - Datasheet
MBA
Category Information
Clutches - Magnetic Particle 24VDCMagnetic Particle 24VDC Clutches. Ultrafast Responses.
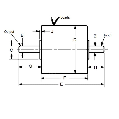
- The input shaft becomes coupled to the output shaft with electrical excitation.
- Shafts have a flat on the end.
- Soft or fast start.
Product Data
- Torque Range : 4612 to 149890 g.cm
- Shaft Diameter
19.037
mm
(Equiv. 0.749 in.) - Overall Length
167.894
mm
(Equiv. 6.61 in.) - Max. Speed 1000
- Outside Diameter 132.080
Product Compliance and Data
Additional Resources
Cross References
- S90MPA-C52D75
- S90MPAC52D75


