
Miniature Bearings Australia
BBP3RS - Datasheet
MBA
Category Information
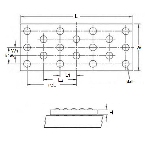
Ball ParallelsBall Parallels. This is the main category in this series
- Used for handling large work in drill presses or band saw machines.
- Placed between work and machine so work can be easily moved.
- Black Oxide finish with 9.525mm hardened steel balls. Balls are exposed both sides of sheet.
Product Data
- Length
:
457.20
mm
(Equiv. 18 in.) - Width
63.50
mm
(Equiv. 2.5 in.) - Height
6.35
mm
(Equiv. 0.25 in.)
Product Compliance and Data
Additional Resources
Cross References
- Reid Tool® BBP-3
- BBP3


