
Miniature Bearings Australia
MB-0454-064 - Datasheet
MBA
Category Information
Mounts - Bonded - Tee Bush Centre BoltTee Bush Centre Bolt Bonded Mounts. Vibration isolation for mobile and static applications involving plate clamping
- An expanded range may be available on special order. Please enquire.
- Reduces structure borne noise and absorbs shock forces
- Low profile height
Product Data
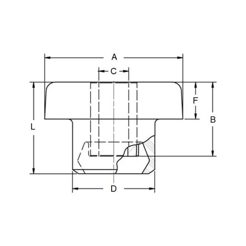
- Max Static Load : 453 kg
- Bolt Hole Diameter (C)
16.5
mm
(Equiv. 0.65 in.) - Flange Diameter (A)
63.5
mm
(Equiv. 2.5 in.) - Flange Width (F) 15.75 mm
- Shoulder Diameter (D) 41.1 mm
- Overall Length (B) 50.8 mm
- Material Rubber
Product Compliance and Data
Additional Resources
Cross References
- BBM40
- BBM-40


