
Miniature Bearings Australia
P-100A-044-320FF-AL-N-160 - Datasheet
MBA
Category Information
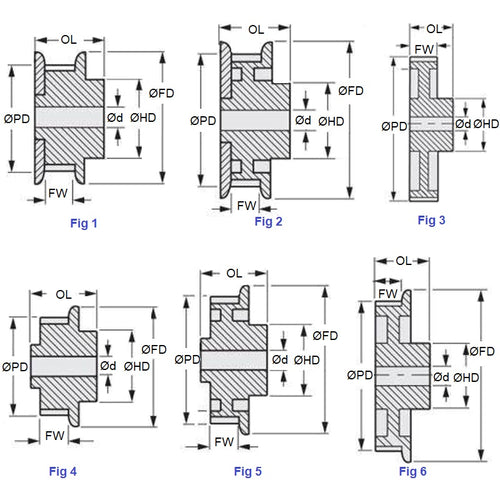
Pulleys - Metric Timing - 10.000mm Pitch - AT10 - 32mm Wide Aluminium32mm Wide Aluminium AT10 10.000mm Pitch Metric Timing Pulleys. Timing pulleys to suit AT10 Series belts
- Timing pulleys combined with timing belts, provide power transmission without slippage.
- Timing pulleys are toothed pulleys used with timing belts to synchronize the movement of different mechanical components, ensuring precise timing and coordination.
- Some uses for timing pulleys include 3D printers, CNC machines, robotics and automation components, textile machinery, office equipment such as scanners and copiers, and medical devices requiring precise movement control.
- Aluminium
- Zinc Plated Steel Flanges
- Plain Hub No Grub Screw
- Finished Bore
Product Data
- Number of Teeth : 44
- Max Belt Width
32.00
mm
(Equiv. 1.26 in.) - Bore (d)
16.000
mm
(Equiv. 0.63 in.) - Bore Type Plain
- Locking Type None
- Type 2
- Pitch Dia. (PD) 139.99 mm
- Flange Diameter (FD) 144.0 mm
- Overall Length 47.0 mm
- Hub Diameter (HD) 90.0
- Material Aluminium
Product Compliance and Data
Additional Resources
Cross References
- Gates 47AT10-44-2
- 47AT10442


