
Miniature Bearings Australia
GE-04445-07144-ST-OH-W - Datasheet
MBA
Category Information
Bushings - Spherical - Steel - With Oil Hole and Wiper SealWith Oil Hole and Wiper Seal Steel Spherical Bushings. Steel spherical plain bearings. Also known as ball bushings.
- Self-aligning bearing that has spherical inner and outer rings, allowing it to handle both large radial and axial loads simultaneously.
- Used in applications with slow swinging movements or where misalignment must be compensated for, such as in control linkages, suspension components, and industrial machinery.
- Designed to reduce vibration and noise by allowing articulating motion in a fixed directional load.
- Compensates for axial loads and misalignment.
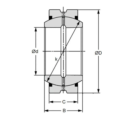
Product Data
- Bore (d1)
:
44.450
mm
(Equiv. 1.75 in.) - OD (d2)
71.440
mm
(Equiv. 2.813 in.) - Width (B)
38.890
mm
(Equiv. 1.531 in.) - Outer Width (C) 33.32 mm
- Dynamic Load Capacity 21300 kgf
- Static Load Capacity 128000 kgf
- Features With Wiper Seals / With Oil Hole
- Material Steel
Product Compliance and Data
Additional Resources
Cross References
- Nachi SBB-28-2RS
- IKO SBB28-2RS
- Nachi SBB-28-RS
- IKO SBB28-RS
- SBB282RS
- SBB28RS


