
Miniature Bearings Australia
NCF60RS - Datasheet
MBA
Category Information
Cam Followers - Bronze Bushing Self LubricatingBronze Bushing Self Lubricating Cam Followers. This is the main category in this series
Product Data
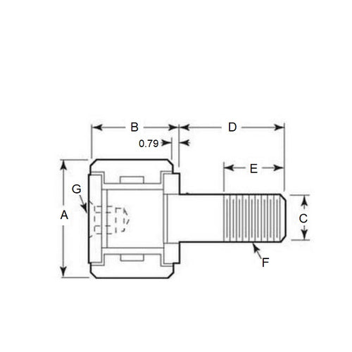
- Diameter (A)
:
44.450
mm
(Equiv. 1.75 in.) - Length
69.850
mm
(Equiv. 2.75 in.) - Thread (F) 3/4-16 UNF
- Thread Length (E) 22.225 mm
- Roller Width (B) 25.400 mm
- Material Steel and Bronze
Product Compliance and Data
Additional Resources
Cross References
- NCF60
- NCF-60


