
Miniature Bearings Australia
RRT-168 - Datasheet
MBA
Category Information
Retaining Rings - Internal - Spiral Rings - Medium-Heavy Duty - Carbon SteelCarbon Steel Medium-Heavy Duty Spiral Rings Internal Retaining Rings. Includes Series AMI / WHT / Spirolox RRT - Spring Steel
- An expanded range may be available on special order. Please enquire.
- Originally designed to fit NAS50-51 grooves, this series is a popular OEM specification.
- This two/three turn design is easier to install than the heavy duty RRN option.
- Equivalent to Associated Spring: AMI, Smalley: WHT, Spirolox and Ramsey: RRT
Product Data
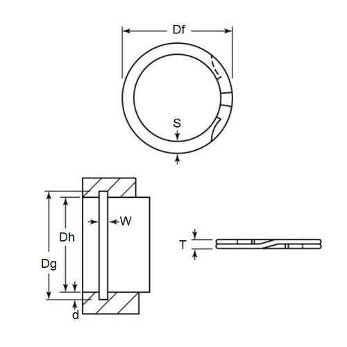
- Housing Bore (B)
:
42.88
mm
(Equiv. 1.688 in.) - Clip Thickness (T)
1.58
mm
+/- 0.08
(Equiv. 0.062 in.) - Groove Dia. (Dg)
45.22
mm
(Equiv. 1.78 in.) - Approx. Loose Circlip OD (Dr) 45.54 mm + 0.51 / - 0.00
- Radial Wall (S) Approx. 3.00 mm +/- 0.10
- Groove Width (W) 1.78 mm +/- 0.13
- Approx. Loose Clip ID 39.54 +/- 0.05
- Groove Depth (d) 1.17
- Material Carbon Spring Steel
Product Compliance and Data
Additional Resources
Cross References
- Associated Spring AMI-168
- Smalley WHT-168
- WHT168
- AMI168


