
Miniature Bearings Australia
QD-SK-0420 - Datasheet
MBA
Category Information
Bushings - QDQD Bushings. Used with QD type cast iron vee pulleys, timing pulleys, sprockets, poly vee pulleys and other parts designed specifically for use with a QD bushing
- Quick Disconnect (QD) bushing is a power transmission component with a split taper design that provides a strong, secure clamp on a shaft, allowing for easy installation and removal of sprockets, pulleys, and sheaves.
- Similar to a taperlock bush, but not interchangeable
- QD bushings like taperlock bushings allow for use of a single stock pulley for many applications with different shaft sizes
- Select the correct QD series to suit the pulley
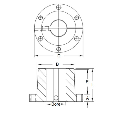
Product Data
- Bore
:
42.000
mm
(Equiv. 1.654 in.) - Series SK
- Flange OD (D)
98.43
mm
(Equiv. 3.875 in.) - Bolt Circle Dia. 84.15 mm
- Overall Length (L) 28.58 mm
- Bush Length (E) 34.93 mm
- Large End OD (B) 71.42 mm
- Flange Thickness (A) 14.30 mm
- Material Steel
Product Compliance and Data
Additional Resources
Cross References
- Martin SKX42MM


