
Miniature Bearings Australia
RR-162-S02 - Datasheet
MBA
Category Information
Retaining Rings - Internal - Spiral Rings - Medium Duty - Stainless SteelStainless Steel Medium Duty Spiral Rings Internal Retaining Rings. Includes AI / WH / AS3217 / RR / MIL-R-27426B1 - Stainless Steel.
- An expanded range may be available on special order. Please enquire.
- Popular series that will accommodate light and medium bearing series thrust loads.
- Available in military and aerospace specifications.
- Equivalent to Associated Spring: AI, Smalley: WH, Spirolox and Ramsey: RR, Aerospace AS3217, MIL-R-27426B1
Product Data
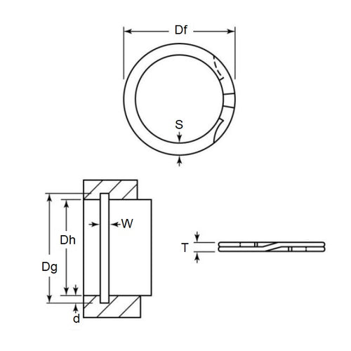
- Housing Bore (B)
:
41.28
mm
(Equiv. 1.625 in.) - Clip Thickness (T)
1.25
mm
+/- 0.08
(Equiv. 0.049 in.) - Groove Dia. (Dg)
42.77
mm
(Equiv. 1.684 in.) - Approx. Loose Circlip OD (Dr) 43.10 mm + 0.51 / - 0.00
- Radial Wall (S) Approx. 2.74 mm +/- 0.10
- Groove Width (W) 1.47 mm +/- 0.13
- Approx. Loose Clip ID 37.62 +/- 0.05
- Groove Depth (d) 0.76
- Material Stainless Steel 302/304 (Similar to A2, 18-8)
Product Compliance and Data
Additional Resources
Cross References
- Associated Spring AI-162-S02
- NoCor WH-162-S02
- Smalley WH-162-S02
- Spirolox WH-162-S02
- WH162S02
- AI162S02


