
Miniature Bearings Australia
GE-04000-06200-ST-W - Datasheet
MBA
Category Information
Bushings - Spherical - Steel - With Wiper SealWith Wiper Seal Steel Spherical Bushings. Steel spherical plain bearings. Also known as ball bushings.
- Self-aligning bearing that has spherical inner and outer rings, allowing it to handle both large radial and axial loads simultaneously.
- Used in applications with slow swinging movements or where misalignment must be compensated for, such as in control linkages, suspension components, and industrial machinery.
- Designed to reduce vibration and noise by allowing articulating motion in a fixed directional load.
- Compensates for axial loads and misalignment.
Product Data
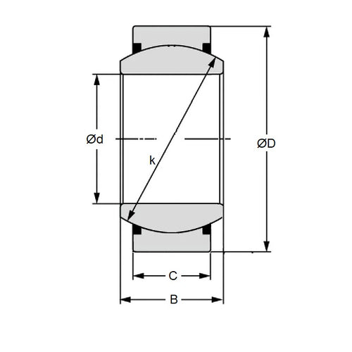
- Bore (d1)
:
40.000
mm
(Equiv. 1.575 in.) - OD (d2)
62.000
mm
(Equiv. 2.441 in.) - Width (B)
28.000
mm
(Equiv. 1.102 in.) - Outer Width (C) 22.00 mm
- Dynamic Load Capacity 11700 kgf
- Static Load Capacity 29200 kgf
- Features With Wiper Seals / No Oil Hole
- Material Steel
Product Compliance and Data
Additional Resources
Cross References
- Nachi GE-40EC-2RS
- IKO GE40EC-2RS
- Nachi GE-40EC-RS
- IKO GE40EC-RS
- GE40ECRS
- GE40EC2RS


