
Miniature Bearings Australia
IR-0400-0480-0300 - Datasheet
MBA
Category Information
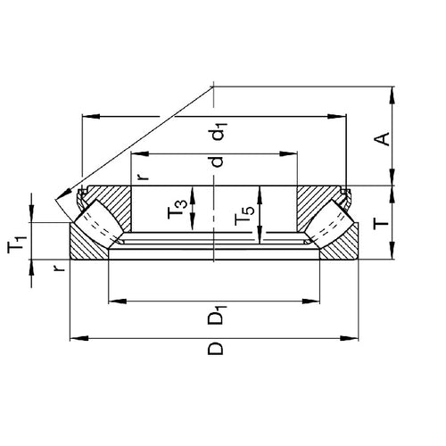
Bearings - Needle Roller Inner RingsNeedle Roller Inner Rings Bearings. Hardened sleeves for needle roller bearings.
- Needle roller inner rings are high strength, high precision sleeves, that are used as a high quality surface on which a needle roller bearing can to run.
 - Pair them with a suitable needle roller where the bearing ID matches the inner ring OD.
 - They can be used to sleeve a worn shaft, or in applications where it is desirable to run the bearing on an easily replacebale surface.
 
Product Data
- Inside Diameter 
:
40.000
mm
(Equiv. 1.575 in.) - Outside Diameter 
48.000
mm
(Equiv. 1.89 in.) - Length (L) 
30.00
mm
(Equiv. 1.181 in.) - Brand NTN
 - Material Chrome Steel
 
Product Compliance and Data
Additional Resources
- Catalogue: Ceramic Bearings Catalogue
 - Catalogue: Plastic Bearings Catalogue
 - Catalogue: Standard Bearings Catalogue
 - General: Bearing Cleanliness
 - General: Bearing Clearances
 - General: Bearing Flanges & Snap Rings
 - General: Bearing Retainers (Cages)
 - General: General Loads Information
 - General: Lubrication
 - General: Prefix & Suffix Guide
 - General: Static vs Dynamic Loads
 - Materials: 316 Stainless
 - Materials: CASSTOP Anti-Corrosion Bearing Material
 - Materials: Ceramic vs Ceramic Hybrid
 - Materials: Ceramic Bearings in Vibratory Applications
 - Materials: Ceramic Hybrid Bearings in Vibratory Applications
 - Materials: General Bearing Materials
 - Materials: Magnetism & Bearings
 - Precision: 316 Stainless & Plastic Bearing Tolerances
 - Precision: ABEC Basic Information
 - Precision: Precision Bearing Tolerances
 - Problem Solving: Bearing Failure
 - Problem Solving: Fatigue (L10 Life)
 - Problem Solving: Noise
 
Cross References
- Misumi IR40X48X30
 


