Miniature Bearings Australia - MBA Minibearings
Miniature Bearings Australia

CC-400-445-C - Datasheet

MBA

Category Information

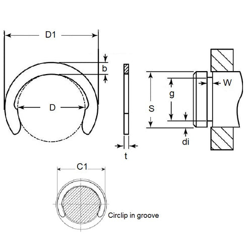
Retaining Rings - Crescent

Crescent Retaining Rings. Variation of an E-Clip with an open face. Also known as a C-Clip.

  • Narrow section height provides good clearance capabilities.
  • Absence of teeth and deep set mean less thrust load ratings than e-clips.
  • For best results install using the recommended applicator tool.

Product Data

  • Groove Diameter (G) : 40.03 mm
    (Equiv. 1.576 in.)
  • Shaft Diameter (S) 44.45 mm
    (Equiv. 1.75 in.)
  • Thickness (t) 1.58 mm
    (Equiv. 0.062 in.)
  • Clip OD in groove (C1) 51.05 mm
  • Clip OD Loose (D1) 50.17 mm
  • Groove Width (W) 1.73
  • Material Carbon Spring Steel Self Finish
Country of Origin: US

Product Compliance and Data

Additional Resources

    Cross References

    • Military 16632-175/B
    • Military 16632-175-B
    • Waldes 5103-175/B
    • Waldes 5103-175-B
    • Ellison 9103-175/B
    • Ellison 9103-175-B
    • NoCor C-175/B
    • Rotor Clip C-175/B
    • NoCor C-175-B
    • Rotor Clip C-175-B
    • N1800175B
    • N18000175APP
    • N1800-175-B
    • N1800-0175APP
    • N1800-175/B
    • N1800175/B
    • 16632175B
    • 16632175/B
    • 9103175/B
    • 9103175B
    • 5103175/B
    • 5103175B
    • C175/B
    • C175B
    View full details