
Miniature Bearings Australia
CFF040-45-100M-R70 - Datasheet
MBA
Category Information
Mounts - Bobbin - FemaleFemale Bobbin Mounts. Vibration dampening
- An expanded range may be available on special order. Please enquire.
- Also see Bumpers
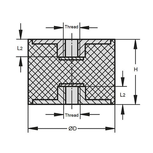
Product Data
- Nom. Body Diameter (D)
:
40.0
mm
(Equiv. 1.575 in.) - Body Height (H)
45.0
mm
(Equiv. 1.772 in.) - Thread Size M10x1.5
- Shore Hardness 70
- Compression Load 77 (165) Kg (lbs)
- Deflection 4.1 mm
- Configuration Female to Female
- Material Natural Rubber
Product Compliance and Data
Additional Resources
Cross References
- 4045FF1070
- 4045FF10-70


