
Miniature Bearings Australia
CFF040-35-080M-R70 - Datasheet
MBA
Category Information
Mounts - Bobbin - FemaleFemale Bobbin Mounts. Vibration dampening
- An expanded range may be available on special order. Please enquire.
- Also see Bumpers
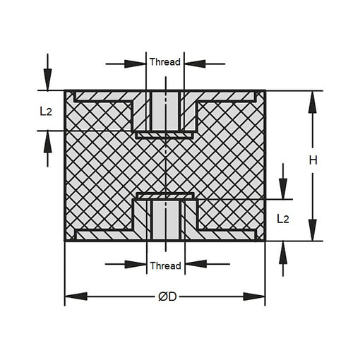
Product Data
- Nom. Body Diameter (D)
:
40.0
mm
(Equiv. 1.575 in.) - Body Height (H)
35.0
mm
(Equiv. 1.378 in.) - Thread Size M8x1.25
- Shore Hardness 70
- Compression Load 79 (169) Kg (lbs)
- Deflection 2.5 mm
- Configuration Female to Female
- Material Natural Rubber
Product Compliance and Data
Additional Resources
Cross References
- 4035FF0870
- 4035FF08-70


