Miniature Bearings Australia - MBA Minibearings
Miniature Bearings Australia

CC-049-056-C - Datasheet

MBA

Category Information

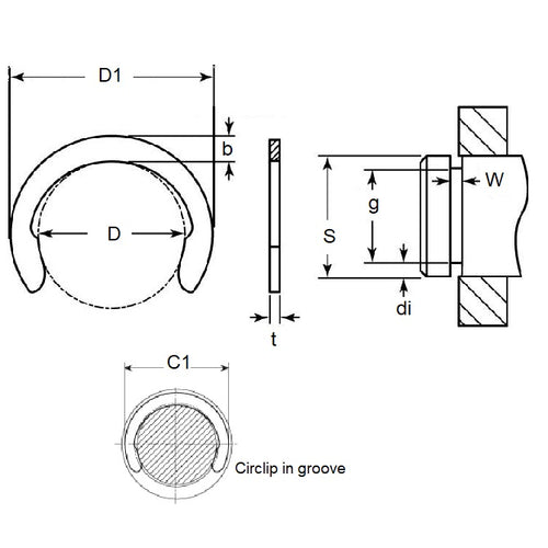
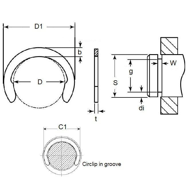
Retaining Rings - Crescent

Crescent Retaining Rings. Variation of an E-Clip with an open face. Also known as a C-Clip.

  • Narrow section height provides good clearance capabilities.
  • Absence of teeth and deep set mean less thrust load ratings than e-clips.
  • For best results install using the recommended applicator tool.

Product Data

  • Groove Diameter (G) : 4.90 mm
    (Equiv. 0.193 in.)
  • Shaft Diameter (S) 5.56 mm
    (Equiv. 0.219 in.)
  • Thickness (t) 0.64 mm
    (Equiv. 0.025 in.)
  • Clip OD in groove (C1) 7.37 mm
  • Clip OD Loose (D1) 6.99 mm
  • Groove Width (W) 0.74
  • Material Carbon Spring Steel Self Finish
Country of Origin: US

Product Compliance and Data

Additional Resources

    Cross References

    • Military 16632-021
    • Military 16632-021/B
    • Military 16632-021-B
    • Waldes 5103-021
    • Waldes 5103-021/B
    • Waldes 5103-021-B
    • Ellison 9103-021
    • Ellison 9103-021/B
    • Ellison 9103-021-B
    • NoCor C-021
    • Rotor Clip C-021
    • NoCor C-021/B
    • Rotor Clip C-021/B
    • NoCor C-021-B
    • Rotor Clip C-021-B
    • N1800-021/B
    • N1800021B
    • N1800021/B
    • N18000021APP
    • N1800-021-B
    • N1800-0021APP
    • 16632021/B
    • 16632021B
    • 9103021
    • 9103021/B
    • 9103021B
    • 5103021/B
    • 5103021B
    • C021
    • C021B
    • C021/B
    View full details