
Miniature Bearings Australia
PLSP-048-103-AS-020 - Datasheet
MBA
Category Information
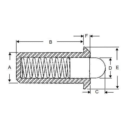
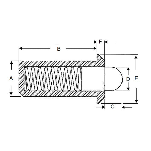
Plungers - Spring Push Fit - Stainless - Acetal NoseAcetal Nose Stainless Spring Push Fit Plungers. Stainless body with acetal nose
Product Data
- Body Diameter (A)
:
4.78
mm
+ 0.1 / - 0.0
(Equiv. 0.188 in.) - Body Length (B)
10.3
mm
(Equiv. 0.406 in.) - Initial Pressure (F1) 6.7 N
- Final Pressure (F2) 20.0 N
- Tip Diameter (D1) 3.1 mm
- Tip Length (C) 2.4 mm
- Drive Push Fit
- Material Stainless Steel Body with Acetal
Product Compliance and Data
Additional Resources
Cross References
- 8682A51
- SPFP-81
- SPFP81


