
Miniature Bearings Australia
BF0048-0079-0034-BS1116LH - Datasheet
MBA
Category Information
Bushes - Flanged - Bronze - SinteredSintered Bronze Flanged Bushes. Oil impregnated flanged sintered bronze bushes.
- An expanded range may be available on special order. Please enquire.
- Precision items show an allowable Load Speed Rating in Newtons times RPM.
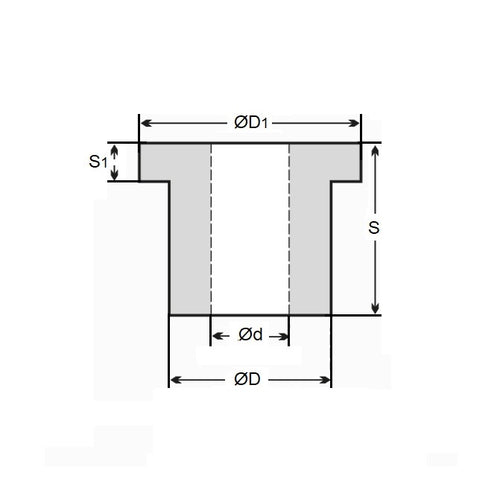
Product Data
- Nominal Inside Diameter (d)
:
4.763
mm
+ 0.000 / + 0.025
(Equiv. 0.188 in.) - Nominal Outside Diameter (D)
7.938
mm
+ 0.051 / + 0.076
(Equiv. 0.313 in.) - Length (s)
3.416
mm
+ 0.000 / - 0.178
(Equiv. 0.134 in.) - Flange OD (D1) 11.11 mm
- Flange Thickness (S1) 1.57 mm
- Material Bronze SAE 841 Sintered
Product Compliance and Data
Additional Resources
- DU Bush Material Information
- General Bushes Catalogue
- Sintered Bronze Products Catalogue
- Solid Bronze Bushes catalogue
Cross References
- BF004800790034BS
- BF004800790034BSLH
- A7B4-F040
- A7B4F040


