
Miniature Bearings Australia
RPO-047-048-C - Datasheet
MBA
Category Information
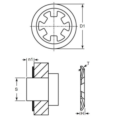
Retaining Rings - Push On - Carbon SteelCarbon Steel Push On Retaining Rings. M1465 / DTX / Seeger ZA and KS.
- An expanded range may be available on special order. Please enquire.
- Thrust load shown is calculated for ideal conditions with mild steel shaft.
- If no thrust load is shown, testing is suggested.
Product Data
- Min shaft size (s1)
:
4.75
mm
(Equiv. 0.187 in.) - Max Shaft Size (s2)
4.80
mm
(Equiv. 0.189 in.) - Outside diameter (D1)
9.83
mm
(Equiv. 0.387 in.) - Min shaft extension (n1) 1.02 mm
- Material Thickness (t) 1.02 mm
- Material Carbon Steel
Product Compliance and Data
Additional Resources
Cross References
- Waldes 5105-018
- IRR 6100-018
- NoCor TY-018
- Rotor Clip TY-018
- TY018
- 6100018
- 5105018


