
Miniature Bearings Australia
DS-60RS - Datasheet
MBA
Category Information
Stops - Spring Flat ButtonSpring Flat Button Stops. Flat button nose selection.
- Spring stops are used extensively in the locating of parts in jigs and fixtures, particularly where fixture walls are not available.
- Properly radiused nose for perfect fit with no wobble.
- Plunger is case hardened low carbon steel. Aluminium body.
Product Data
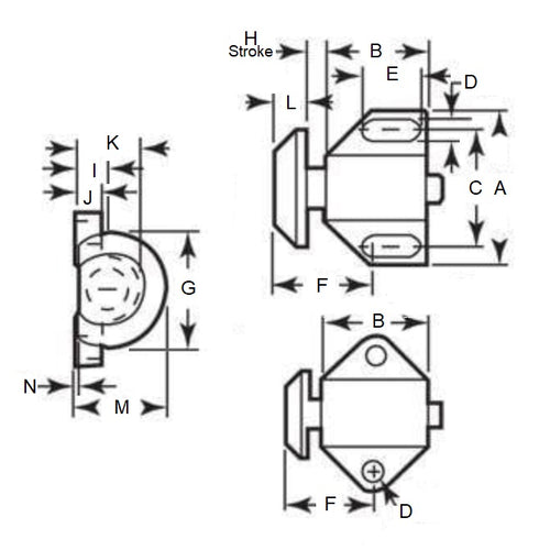
- Half-Depressed End Force : 4.54 Kg
- A
23.81
mm
(Equiv. 0.937 in.) - B
17.46
mm
(Equiv. 0.687 in.) - C 16.67 mm
- D 3.56 mm
- E 8.89 mm
- F 16.67 mm
- G 19.05 mm
- H 3.18 mm
- I 5.56 mm
- J 4.76 mm
- K / L / M / N 10.32 / 4.76 / 15.08 / 0.40 mm
Product Compliance and Data
Additional Resources


