
Miniature Bearings Australia
PUI008-0500-100-AS440 - Datasheet
MBA
Category Information
Pulleys - U Groove Idler - Double Row - AluminiumAluminium Double Row U Groove Idler Pulleys. Aluminium with Stainless Ball Bearings
- Use with round belts such as Rounthane or O-Rings
Product Data
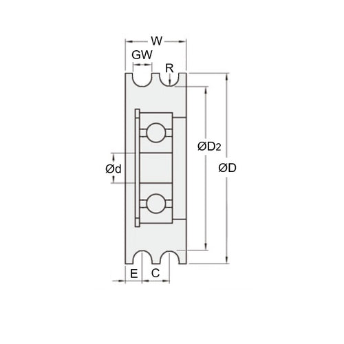
- Maximum Cable Diameter (H)
:
4.0
mm
(Equiv. 0.157 in.) - Outside Diameter (OD)
50.0
mm
(Equiv. 1.969 in.) - Bore (A)
10.000
mm
(Equiv. 0.394 in.) - Body Width 14.0 mm
- Overall Width (OAL) 14.0
- Dia. to Base of Groove (B) 44 mm
- Centre Spacing 6
- Type Stainless 440 Shielded Precision Ball Bearing
- Groove Radius (R) 2.1
- Material Aluminium Alloy - Clear Anodized
Product Compliance and Data
Additional Resources
Cross References
- MBXAC4821


