
Miniature Bearings Australia
PUI008-0250-060-AS440 - Datasheet
MBA
Category Information
Pulleys - U Groove Idler - Double Row - AluminiumAluminium Double Row U Groove Idler Pulleys. Aluminium with Stainless Ball Bearings
- Use with round belts such as Rounthane or O-Rings
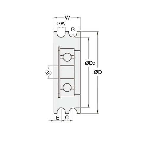
Product Data
- Maximum Cable Diameter (H)
:
4.0
mm
(Equiv. 0.157 in.) - Outside Diameter (OD)
25.0
mm
(Equiv. 0.984 in.) - Bore (A)
6.000
mm
(Equiv. 0.236 in.) - Body Width 13.0 mm
- Overall Width (OAL) 13.0
- Dia. to Base of Groove (B) 19 mm
- Centre Spacing 6
- Type Stainless 440 Shielded Precision Ball Bearing
- Groove Radius (R) 2.1
- Material Aluminium Alloy - Clear Anodized
Product Compliance and Data
Additional Resources
Cross References
- MBXAC2321


