
Miniature Bearings Australia
SMR45.72-012-YY-VP-8.128 - Datasheet
MBA
Category Information
Dual Vee - Plain Guide WheelsPlain Guide Wheels Dual Vee. Vee grooved track roller guide wheels with Abec 5 precision bearings.
- An expanded range may be available on special order. Please enquire.
- Match with correct Track Size.
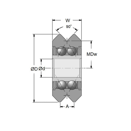
Product Data
- Size Reference : 3
- Outside Diameter (O.D)
45.720
mm
(Equiv. 1.8 in.) - Journal Width (W)
15.875
mm
(Equiv. 0.625 in.) - Groove Top Width (A) 8.128 mm
- Bore (d) 12.000 mm
- Bottom of Groove to Ctre (MDw) 19.05 mm
- Radial Working Load Capacity 338 KgF
- Axial Working Load Capacity 186 KgF
- Bearing Type Sealed Bearing
- Material Stainless Steel AISI 440C
Product Compliance and Data
Additional Resources
Cross References
- Dual Vee W3-X-SS
- W3XSS
- WZ33
- WZ-33
- A7Y16M3


