
Miniature Bearings Australia
PLIT-030-060-075-32-LKP-C - Datasheet
MBA
Category Information
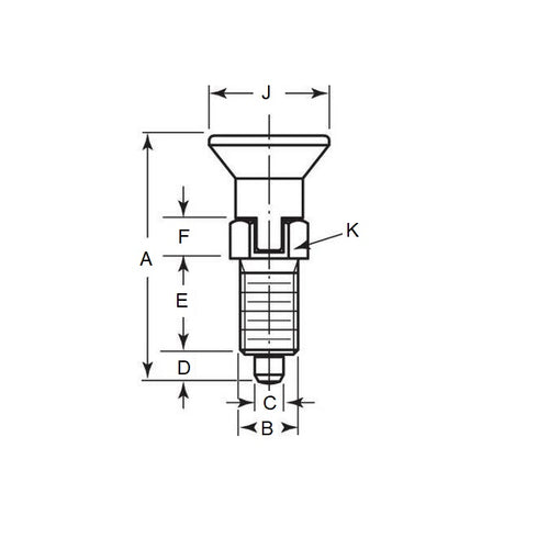
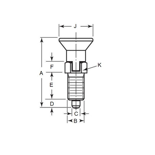
Plungers - Indexing Pull Knob - Steel - With Locking SlotWith Locking Slot Steel Indexing Pull Knob Plungers. With thermoplastic knob
Product Data
- Thread (B) : M6 Fine (6x0.75mm)
- Overall Length (A)
31.5
mm
(Equiv. 1.24 in.) - Initial End Force 5.0 N
- Final End Force 2.0 N
- Tip Diameter (C) 3.0 mm
- Tip Length (D) 3.5 mm
- Hex Height (F) 5.0 mm
- Knob Diameter (J) 14.0 mm
- Hex Size (K) 8.0
- Material Steel
Product Compliance and Data
Additional Resources
Cross References
- KBP-548
- KBP548


