
Miniature Bearings Australia
BF0030-0100-0040-BS1210LU - Datasheet
MBA
Category Information
Bushes - Flanged - Bronze - SinteredSintered Bronze Flanged Bushes. Oil impregnated flanged sintered bronze bushes.
- An expanded range may be available on special order. Please enquire.
- Precision items show an allowable Load Speed Rating in Newtons times RPM.
Product Data
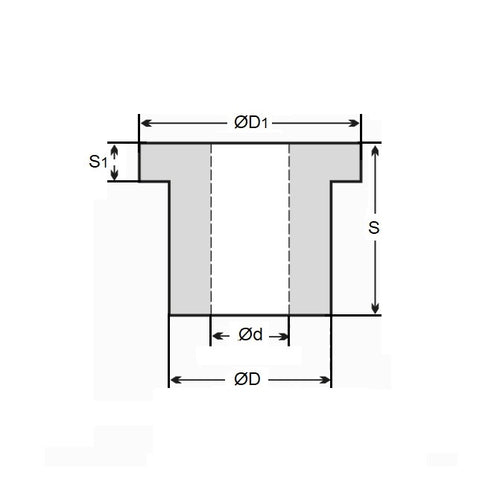
- Nominal Inside Diameter (d)
:
3.000
mm
+ 0.000 / + 0.010
(Equiv. 0.118 in.) - Nominal Outside Diameter (D)
10.000
mm
+ 0.000 / - 0.009
(Equiv. 0.394 in.) - Length (s)
4.000
mm
+ 0 / - 0.170
(Equiv. 0.157 in.) - Flange OD (D1) 12.00 mm
- Flange Thickness (S1) 1.00 mm
- Material Bronze SAE 841 Sintered
Product Compliance and Data
Additional Resources
- DU Bush Material Information
- General Bushes Catalogue
- Sintered Bronze Products Catalogue
- Solid Bronze Bushes catalogue
Cross References
- S99BP4MFB031040
- BF003001000040BSLU



