
Miniature Bearings Australia
PLIT-030-060-075-32-LKP-S3 - Datasheet
MBA
Category Information
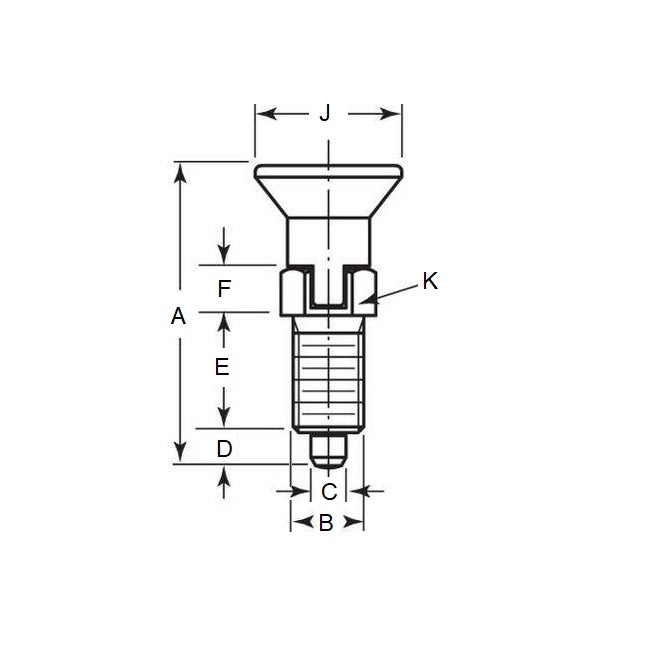
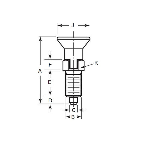
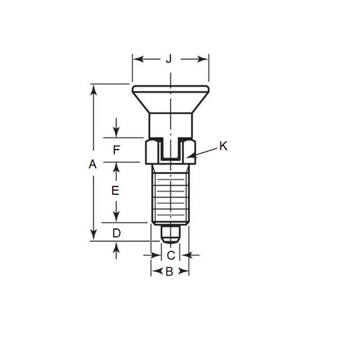
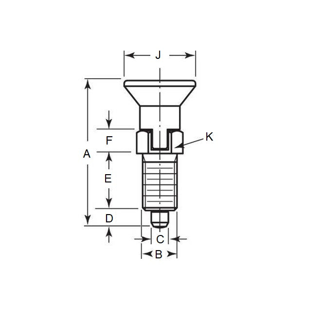
Plungers - Indexing Pull Knob - Stainless and Plastic - With Locking SlotWith Locking Slot Stainless and Plastic Indexing Pull Knob Plungers. With thermoplastic knob
Product Data
- Thread (B) : M6 Fine (6x0.75mm)
- Overall Length (A)
31.5
mm
(Equiv. 1.24 in.) - Initial End Force 0.5 N
- Final End Force 1.1 N
- Tip Diameter (C) 3.0 mm
- Tip Length (D) 3.5 mm
- Hex Height (F) 5.0 mm
- Knob Diameter (J) 14.0 mm
- Hex Size (K) 8.0
- Material Stainless Steel 303 (Similar to A2, 304, 18-8)
Product Compliance and Data
Additional Resources
Cross References
- KBP556
- KBP-556


