
Miniature Bearings Australia
NR-0380-100-080-W-ZZ - Datasheet
MBA
Category Information
Rollers - Idler with Bearing - Nylon CoveredNylon Covered Idler with Bearing Rollers. Nylon tyred rollers for heavy duty applications
- An expanded range may be available on special order. Please enquire.
- Nylon tyre (tire) covering a precision deep groove radial ball bearings
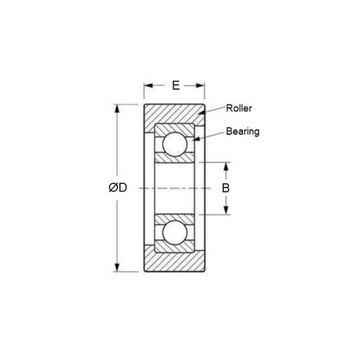
Product Data
- Outside Diameter (A)
:
38.00
mm
+/- 1.0
(Equiv. 1.496 in.) - Bore (d)
10.00
mm
+/- 0.008
(Equiv. 0.394 in.) - Roller Width (B)
10.00
mm
(Equiv. 0.394 in.) - Bearing Width (W) 8.00 mm +/- 0.1
- Nylon Colour White
- Material Nylon Covered Chrome Steel
Product Compliance and Data
Additional Resources
Cross References
- NR0380100ZZ


