
Miniature Bearings Australia
CLP-381-1464-CZ - Datasheet
MBA
Category Information
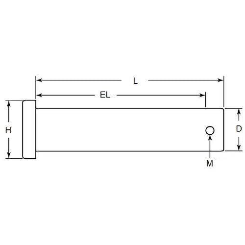
Pins - Clevis - Pin Locking - Zinc PlatedZinc Plated Pin Locking Clevis Pins. Match with a suitable R-Clip or Spilt Pin - pin size shown in listings
- Non-threaded fastener with a head on one end and a hole/groove on the other, used to connect two or more parts in a way that allows for rotation, similar to a bolt, by passing through aligned holes.
- A retaining pin, such as a cotter pin, E-clip or R-clip, is inserted into the hole/groove at the end to keep the clevis pin secured in place.
- In addition to retaining parts on a shaft or axle, clevis pins can also be used as light duty axles, spring holders or even fishing line weights.
- Sinc plated low carbon steel
Product Data
- Nominal Pin Diameter (D)
:
38.10
mm
- 0.10 / - 0.45
(Equiv. 1.5 in.) - Grip Length (EL)
146.44
mm
+ 0.51 / - 0.00
(Equiv. 5.765 in.) - Nom. Length (L)
152.40
mm
+ 0.51 / - 0.00
(Equiv. 6 in.) - Ret. Pin Dia. (M) 5.0 mm
- Material Zinc Plated Low Carbon Steel
Product Compliance and Data
Additional Resources
Cross References
- NoCor CLPZ-1500-6000
- CLP3811464Z
- CLPZ15006000


