
Miniature Bearings Australia
DT-515RS - Datasheet
MBA
Category Information
Linear - Ball Slide Assembly - PrecisionPrecision Ball Slide Assembly Linear. These precision ball slides have a typical coefficient of friction of 0.003 and provide straight line accuracy of 0.0005mm per mm of travel.
- At load capacity a life of 250 million mm of travel can be expected. The expected life at half load capacity is 2.5 billion mm.
- Factory preload adjustment prevents sideplay and backlash. Lightweight aluminium carriage and base with high load capacity.
- Four tapped and threaded carriage holes and counterbored base holes simplify installation and component mounting.
- Long life, self cleaning ball bearing needs no lubrication.
- Positional repeatability 0.005mm. Clear anodised finish.
Product Data
- Travel
:
38.100
mm
(Equiv. 1.5 in.) - Load Capacity 13.608 Kg
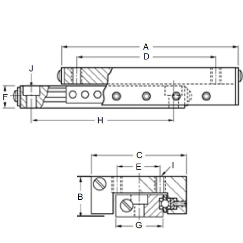
- Carriage Length (A)
69.850
mm
(Equiv. 2.75 in.) - Overall Height (B) 19.050 mm
- Carriage Width (C) 44.450 mm
- Carriage Bolt Centre (D) 53.975 mm
- Carriage Bolt Centre (E) 22.225 mm
- Rail Height (F) 10.160 mm
- Rail Width (G) 22.225 mm
- Rail Bolt Centres Length (H) 57.150 mm
- Carriage Bolt Size 6-32 UNC (3.5mm)
- Base Bolt Size 6-32 UNC (3.5mm)
Product Compliance and Data
Additional Resources


