
Miniature Bearings Australia
LCHP-0381-102-TSS - Datasheet
MBA
Category Information
Linear - Thomson Super Smart Housings - Pillow Block ClosedPillow Block Closed Thomson Super Smart Housings Linear. Includes Bearings.
Product Data
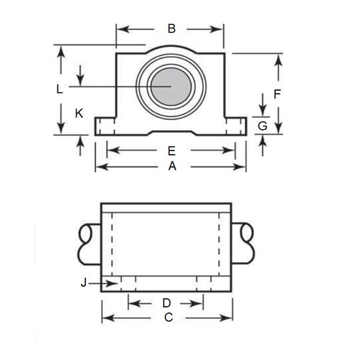
- Nominal Diameter
:
38.10
mm
(Equiv. 1.5 in.) - Widths (A x A2)
120.650 x 88.900
mm
(Equiv. 4.75 in.) - Length (B)
101.60
mm
(Equiv. 4 in.) - Bolt Distances (E x E1) 63.50 x 104.78 mm
- Height (H x H1) 44.450 x 82.550 mm
- Flange Height (F1) 12.70 mm
- Lube Hole Distance (G1 x G) 44.450 x 47.244 mm
- Bolt Dia. 7.11 mm
- Weight 1.79 Kg
- Dynamic Load Capacity 1732 kgf
Product Compliance and Data
Additional Resources
Cross References
- QBC TSS6UPB-24
- TLM-975
- TLM975
- TSS6UPB24


