
Miniature Bearings Australia
LCHF-0381-102-TSS - Datasheet
MBA
Category Information
Linear - Thomson Super Housings - Smart FlangedSmart Flanged Thomson Super Housings Linear. Includes Bearings.
Product Data
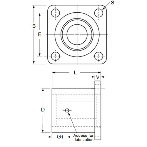
- Nominal Diameter
:
38.10
mm
(Equiv. 1.5 in.) - Flange Length and Width (B)
101.60
mm
(Equiv. 4 in.) - Bolt Distance and Dia. (S x E)
10.4 x 79.38
mm
(Equiv. 0.409 in.) - Length (L) 101.60 mm
- Width (D) 91.95 mm
- Flange Height (V) 19.05 mm
- Lube Hole Distance (G1) 47.24 mm
- Type Single
- Weight 1.67 Kg
- Dynamic Load Capacity 1732 kgf
Product Compliance and Data
Additional Resources
Cross References
- QBC TSS6UFB-24
- TLM-1225
- TLM1225
- TSS6UFB24


